Zum Hauptinhalt springen Zur Suche springen Zum Menü springen

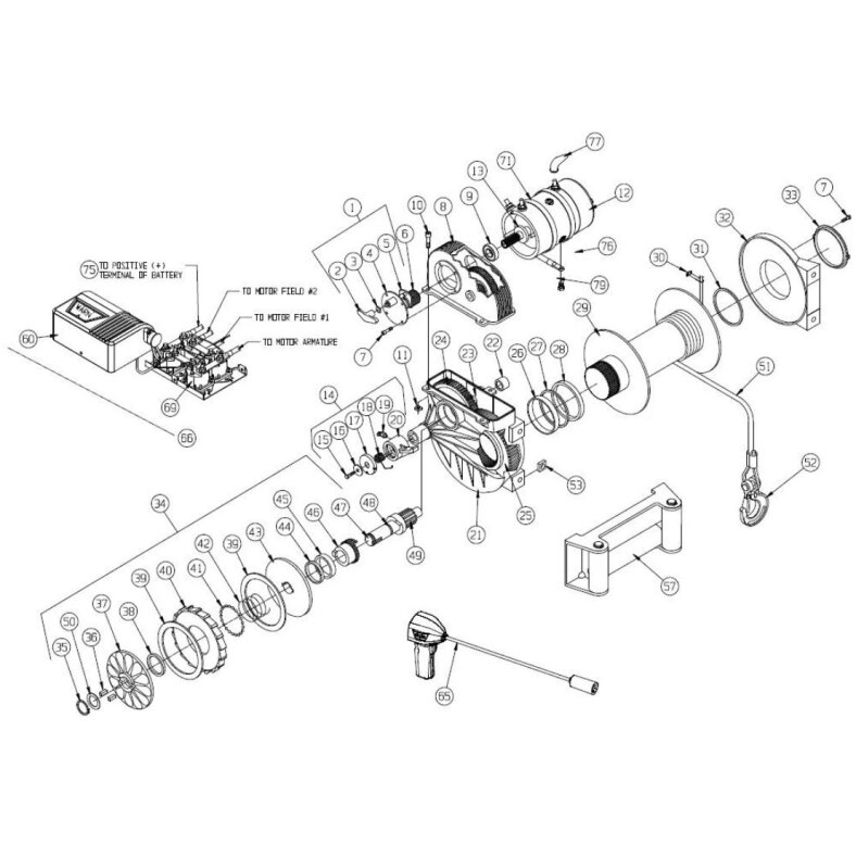
Ersatzteile für WARN Seilwinden

  • Auf Lager